Deck Sub-Assemblies
Parts Index
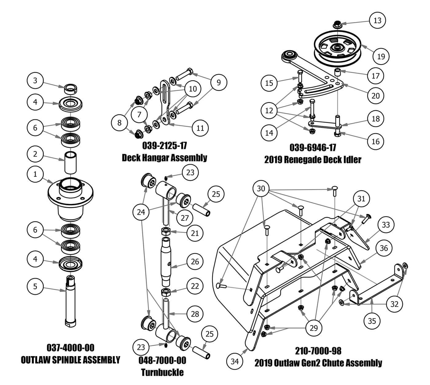
- 1 2017 Outlaw/XP/Diesel Cast Iron Spindle Housing - (Qty 1)
- 2 2015 Spindle Spacer - (Qty 1)
- 3 Collar Spacer - Top of Spindle - (Qty 1)
- 4 Dust Cover for 037-8000-00 - - (Qty 2)
- 5 Short Spindle Shaft for Locking Collar- No Grooved - (Qty 1)
- 6 OBSOLETE USE 037-6029-00 - (Qty 4)
- 7 1/2-13 Hex Fange Nuts Zinc w/ - (Qty 2)
- 8 1/2-13 Nylon Insert Flange Nut - (Qty 2)
- 9 1/2-13 X 2-1/4 GR 5 Hex Bolts - (Qty 2)
- 10 .505 ID X 1 OD X .128 THK Washer - (Qty 4)
- 11 OBSOLETE USE 039-2125-17 - (Qty 1)
- 12 3/8-16 Hex Flange Nuts Zinc w/ - (Qty 4)
- 13 1/2-13 Nylon Insert Flange Nut - (Qty 1)
- 14 3/8-16 X 3 GR 5 Hex Bolts Zinc - (Qty 1)
- 15 3/8 x 1 1/2 Bolt - (Qty 1)
- 16 1/2-13 X 2-3/4 GR 5 Bolt Zinc - (Qty 1)
- 17 Spacer 3/4ODx1/2IDx0.75 - (Qty 1)
- 18 Belt Tensioner Retainer Plate--Plated - (Qty 1)
- 19 2017 5" Split Idler Pulley-Tensioner Only - (Qty 1)
- 20 Idler Bracket--Plated - (Qty 1)
- 21 11/16-12 Hex Nut-2015 Toplink - (Qty 1)
- 22 11/16-12 Lefthand Hex Nut-Topl - (Qty 1)
- 23 1/4 Drive-in Grease Fitting - (Qty 2)
- 24 Bushing-2015 Outlaw Toplink - (Qty 4)
- 25 Sleeve-2015 Outlaw Toplink - (Qty 2)
- 26 2015 Outlaw Toplink Body - (Qty 1)
- 27 2015 Outlaw Toplink RH End - (Qty 1)
- 28 2015 Outlaw Toplink LH End - (Qty 1)
- 29 5/16-18 Nylon Flange Nut - (Qty 7)
- 30 5/16-18 X 1-1/4 Carriage Bolt - (Qty 5)
- 31 5/16 x 7/8 Carriage Bolt - (Qty 2)
- 32 .360 ID Plastic Washer - (Qty 2)
- 33 Chute Bracket (upper) - (Qty 1)
- 34 Chute Bracket (lower) - (Qty 1)
- 35 Chute Hanger - (Qty 1)
- 36 Discharge Chute (Rubber Component) - (Qty 1)
36 Results
$0.00
Call us to place an order for this part.


